
洗眼器紧急冲淋系列(房式、立式、台式)
产品详情






紧急喷淋和眼睛清洗系统的制造依据CE-DIN12899-UN19608的
标准部署。
其产品特点是在有人偶然遇到以酸碱、工业溶剂或者腐蚀性产品的
伤害,可以立即清除。
产品表面耐酸耐腐蚀。管子采用不锈钢管,连接件采用全铜制造,
内壁防锈。
莲蓬头外罩Φ70橡胶质护杯,以避免紧急使用时瞬间接触眼部造成
碰撞二次伤害,护杯罩口具防尘台平常可防尘,使用时可随时被
水冲 开,并降低突然时短暂的高水压,防止冲伤眼睛,防尘台具
有连接于护杯连接可防尘脱落。
执行指标
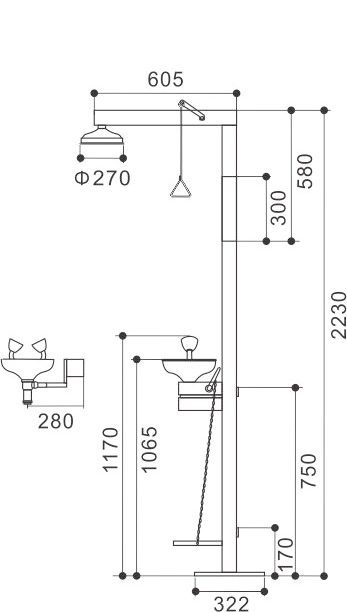
要求用G1 寸管连接到饮用水管
最小水压:4bar
水量:单洗眼器>6升/分钟,双洗眼器>10升/分钟
喷淋装置>30升/分钟
可加装智能报警系统


主体:加厚铜质
洗眼喷头:加厚铜质环氧树脂涂层外加软性橡胶,出水经缓压
处理呈泡沫状水柱,防止冲伤眼睛
防尘盖:PP材质,使用时自动被水冲开
水流锁定开关:水流开启,水流锁定功能一次完成,方便使用
控水阀:止逆阀,其阀门可自动关闭
供水软管:长度1.5米,软性PVC管外覆不锈钢网,外层包裹PE管,
有效防止生锈、渗漏
最大耐水压:6巴
询盘






